О компании
  • О компании
    • История
    • Структура
  • О производстве
    • Производственные мощности
    • Менеджмент качества
    • Бережливое производство
    • Испытательный центр
    • Оценка условий труда
  • Новости
  • Нам доверяют
  • Карьера
Продукция
  • Арматура и оборудование СИП до 1 кВ
    • Зажимы ответвительные
    • Изделия крепежные
    • Зажимы анкерные
    • Кронштейны анкерные и крюки
    • Зажимы поддерживающие
    • Устройства заземления
    • Ограничители перенапряжений
    • Наконечники
    • Комплекты подключения
    • Зажимы соединительные
    • Рубильники
    • Колпачки и кожухи
    • Распределительные коробки и клеммники
  • Арматура и оборудование 6-35 кВ
    • Зажимы анкерные
    • Устройство защиты от дуги
    • Зажимы ответвительные
    • Арматура сцепная
    • Ограничители перенапряжений
    • Зажимы соединительные
    • Зажимы аппаратные
    • Наконечники болтовые
    • Зажимы поддерживающие
    • Птицезащитные устройства
  • Арматура кабельная
    • Муфты кабельные до 1 кВ
    • Муфты кабельные до 10 кВ
    • Наконечники болтовые и соединители
    • Уплотнители кабельных проходов
  • Зажимы спиральные
  • Коммутационное оборудование
    • Разъединители
    • Аксессуары и комплектующие
  • Изоляторы
  • Инструменты, приспособления и средства защиты
    • Инструмент для СИП
    • Опрессовка наконечников и гильз
    • Разделка и обрезка кабелей/проводов
    • Снаряжение для работы на опоре
    • Приспособления и снаряжение для ПРПН
    • Слесарно-монтажный инструмент
    • Средства индивидуальной защиты
    • Средства коллективной защиты
    • Средства малой механизации
    • Хранение и переноска
  • Металлоконструкции
    • Траверсы
    • Металлоконструкции
Поддержка
  • Каталоги и материалы
  • Типовые проекты
  • ЛЭП ПРО
  • Мобильное приложение
  • Презентации
  • Обучение
Контакты
  • Управляющая компания
  • Филиальная сеть
  • Партнёры
    Каталог
    По всему сайту
    По каталогу
    • О нас
      • О нас
      • О компании
        • О компании
        • История
        • Структура
      • О производстве
        • О производстве
        • Производственные мощности
        • Менеджмент качества
        • Бережливое производство
        • Испытательный центр
        • Оценка условий труда
      • Новости
      • Нам доверяют
      • Карьера
    • Поддержка
      • Поддержка
      • Каталоги и материалы
      • Типовые проекты
      • ЛЭП ПРО
      • Мобильное приложение
      • Презентации
      • Обучение
    • Контакты
      • Контакты
      • Управляющая компания
      • Филиальная сеть
      • Партнёры
    8 800 222 26 68
    • Телефоны
    • 8 800 222 26 68
    • info@armatech.group
    • ООО "АРМАТЕХ"
      Российская Федерация, Московская область,
      г. Подольск, ул. Станционная, д.24
    • Пн - Пт: с 8:00 до 17:00
    Главная
    Каталог
    Арматура и оборудование СИП до 1 кВ
    Кронштейны анкерные и крюки
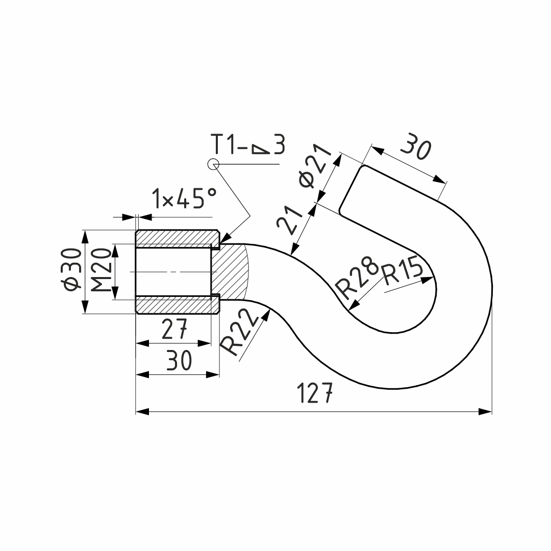
    Гайка крюкообразная (PD 20)
    Гайка крюкообразная (PD 20)
    Гайка крюкообразная (PD 20)
    Гайка крюкообразная (PD 20)
    Гайка крюкообразная (PD 20)

    Гайка крюкообразная (PD 20)

    Арт. 20801341
    Характеристики
    Торговая марка
    :
    ВК
    Номинальное напряжение, кВ
    :
    1
    Единица хранения
    :
    шт
    Все характеристики
    • Описание и особенности
    • Характеристики
    • Документация
    • Логистические параметры
    Крюкообразная гайка применяется для крепления на сквозной шпильке PD20. Гайка  выполнена из оцинкованной стали повышенной прочности с высокой устойчивостью к коррозии. Монтируется на столбах или стенах на предварительно установленные сквозные шпильки D20.  
    Специальный инструмент для монтажа не требуется. Ремонт гайки не предусмотрен. Демонтаж возможен, вторичный монтаж возможен в случае отсутствия повреждений гайки.
    Торговая марка
    ВК
    Артикул
    20801341
    Номинальное напряжение, кВ
    1
    Температура монтажа, °С
    от -20 до +40
    Диапазон рабочих температур, °С
    от -60 до +50
    Гарантийный срок, мес
    60
    ВК - соответствие ГОСТ по 22.12.2025
    2,1 Мб
    mxtwt1fau15vcunbnkaypg54slb5ugdo
    303,1 Кб
    Единица хранения
    шт
    Вес (Ед.), кг
    0.36
    Высота (Ед.), мм
    80
    Кол-во Единицы хранения
    1
    Длина (Ед.), мм
    130
    Ширина (Ед.), мм
    30
    Назад к списку
    О компании
    Продукция
    Поддержка
    Контакты
    Подписаться
    на новости и акции
    Связаться с нами
    8 800 222 26 68
    8 800 222 26 68
    E-mail
    info@armatech.group
    Адрес
    ООО "АРМАТЕХ"
    Российская Федерация, Московская область,
    г. Подольск, ул. Станционная, д.24
    Режим работы
    Пн - Пт: с 8:00 до 17:00
    info@armatech.group
    ООО "АРМАТЕХ"
    Российская Федерация, Московская область,
    г. Подольск, ул. Станционная, д.24
    Пользовательское соглашение
    Антикоррупционная политика
    © 2026 АРМАТЕХ
    Каталог
    По всему сайту
    По каталогу
    Главная Продукция Контакты Компания Поддержка Поиск
    Наш сайт использует cookies

    Ознакомьтесь с Политикой конфиденциальности, чтобы узнать больше о том, что такое cookies, а так же как и зачем мы используем их. Закрывая данное окно, вы отказываетесь от всех cookies.

    Настройки Cookies