О компании
  • О компании
    • История
    • Структура
  • О производстве
    • Производственные мощности
    • Менеджмент качества
    • Бережливое производство
    • Испытательный центр
    • Оценка условий труда
  • Новости
  • Нам доверяют
  • Карьера
Продукция
  • Арматура и оборудование СИП до 1 кВ
    • Зажимы ответвительные
    • Изделия крепежные
    • Зажимы анкерные
    • Кронштейны анкерные и крюки
    • Зажимы поддерживающие
    • Устройства заземления
    • Ограничители перенапряжений
    • Наконечники
    • Комплекты подключения
    • Зажимы соединительные
    • Рубильники
    • Колпачки и кожухи
    • Распределительные коробки и клеммники
  • Арматура и оборудование 6-35 кВ
    • Зажимы анкерные
    • Устройство защиты от дуги
    • Зажимы ответвительные
    • Арматура сцепная
    • Ограничители перенапряжений
    • Зажимы соединительные
    • Зажимы аппаратные
    • Наконечники болтовые
    • Зажимы поддерживающие
    • Птицезащитные устройства
  • Арматура кабельная
    • Муфты кабельные до 1 кВ
    • Муфты кабельные до 10 кВ
    • Наконечники болтовые и соединители
    • Уплотнители кабельных проходов
  • Зажимы спиральные
  • Коммутационное оборудование
    • Разъединители
    • Аксессуары и комплектующие
  • Изоляторы
  • Инструменты, приспособления и средства защиты
    • Инструмент для СИП
    • Опрессовка наконечников и гильз
    • Разделка и обрезка кабелей/проводов
    • Снаряжение для работы на опоре
    • Приспособления и снаряжение для ПРПН
    • Слесарно-монтажный инструмент
    • Средства индивидуальной защиты
    • Средства коллективной защиты
    • Средства малой механизации
    • Хранение и переноска
  • Металлоконструкции
    • Траверсы
    • Металлоконструкции
Поддержка
  • Каталоги и материалы
  • Типовые проекты
  • ЛЭП ПРО
  • Мобильное приложение
  • Презентации
  • Обучение
Контакты
  • Управляющая компания
  • Филиальная сеть
  • Партнёры
    Каталог
    По всему сайту
    По каталогу
    • О нас
      • О нас
      • О компании
        • О компании
        • История
        • Структура
      • О производстве
        • О производстве
        • Производственные мощности
        • Менеджмент качества
        • Бережливое производство
        • Испытательный центр
        • Оценка условий труда
      • Новости
      • Нам доверяют
      • Карьера
    • Поддержка
      • Поддержка
      • Каталоги и материалы
      • Типовые проекты
      • ЛЭП ПРО
      • Мобильное приложение
      • Презентации
      • Обучение
    • Контакты
      • Контакты
      • Управляющая компания
      • Филиальная сеть
      • Партнёры
    8 800 222 26 68
    • Телефоны
    • 8 800 222 26 68
    • info@armatech.group
    • ООО "АРМАТЕХ"
      Российская Федерация, Московская область,
      г. Подольск, ул. Станционная, д.24
    • Пн - Пт: с 8:00 до 17:00
    Главная
    Каталог
    Арматура и оборудование СИП до 1 кВ
    Устройства заземления
    Скоба изолированная (C 200)
    Скоба изолированная (C 200)
    Скоба изолированная (C 200)
    Скоба изолированная (C 200)
    Скоба изолированная (C 200)

    Скоба изолированная (C 200)

    Арт. 21300531
    Характеристики
    Торговая марка
    :
    ВК
    Номинальное напряжение, кВ
    :
    1
    Диапазон сечений жил, мм2
    :
    25
    Единица хранения
    :
    шт
    Все характеристики
    • Описание и особенности
    • Характеристики
    • Документация
    • Логистические параметры
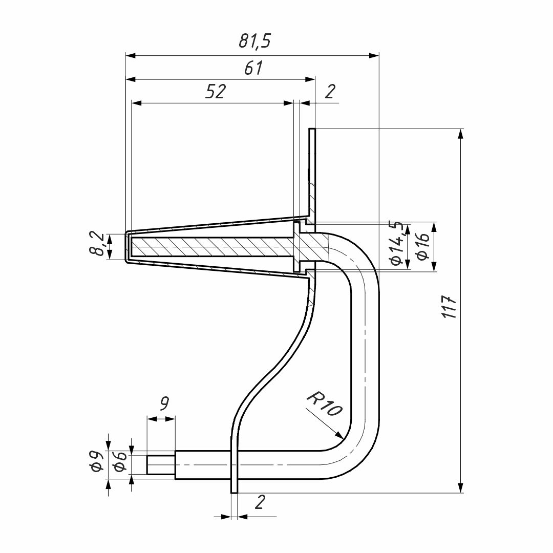
    Используется для подключения измерителя напряжения, закороток и защитного заземления.





    Устанавливается на каждую жилу СИП (фазную и нулевую) на весь срок службы линии. Скоба устанавливается на линию посредством ответвительных герметичных зажимов типа СТ, выбор типа ОЗ зависит от сечения магистрального провода.





    Особенности:


    - Рабочая часть изолирована защитным колпачком.


    - Используется в комплекте с M6D или M7D и MaT для закорачивания и защитного заземления при выполнении ремонтных работ.


    - Обладает стойкостью к ультрафиолету, коррозии, повышенной влажности, механическим нагрузкам и  агрессивным атмосферным воздействиям.
    Торговая марка
    ВК
    Артикул
    21300531
    Номинальное напряжение, кВ
    1
    Диапазон сечений жил, мм2
    25
    Температура монтажа, °С
    от -20 до +40
    Диапазон рабочих температур, °С
    от -60 до +50
    Материал изделия
    Медь/полиамид
    Гарантийный срок, мес
    60
    Стойкость к ультрафиолету
    Да
    Цвет
    черный
    Сертификат ГОСТ и СТО
    1,5 Мб
    Инструкция по монтажу
    359,7 Кб
    Единица хранения
    шт
    Вес (Ед.), кг
    0.062
    Материал упаковки Единицы хранения
    НЕ УКАЗАН
    Ширина упаковки (Ед.), мм
    81
    Кол-во в Транспортной упаковке
    50
    Высота (Ед.), мм
    16
    Кол-во Единицы хранения
    1
    Масса Брутто (Ед.), кг
    0.062
    Длина (Ед.), мм
    117
    Длина упаковки (Ед.), мм
    117
    Ширина (Ед.), мм
    81
    Масса Нетто (Ед.), кг
    0.062
    Тип Транспортной упаковки
    КОРОБКА/БОКС
    Тип упаковки Единицы хранения
    БЕЗ УПАКОВКИ
    Ширина Транспортной упаковки, мм
    210
    Длина Транспортной упаковки, мм
    290
    Высота упаковки (Ед.), мм
    16
    Масса Транспортной упаковки Нетто, кг
    3.1
    Высота Транспортной упаковки, мм
    110
    Масса Транспортной упаковки Брутто, кг
    3.1
    Материал Транспортной упаковки
    ГОФРОКАРТОН ТРЕХСЛОЙНЫЙ
    Назад к списку
    О компании
    Продукция
    Поддержка
    Контакты
    Подписаться
    на новости и акции
    Связаться с нами
    8 800 222 26 68
    8 800 222 26 68
    E-mail
    info@armatech.group
    Адрес
    ООО "АРМАТЕХ"
    Российская Федерация, Московская область,
    г. Подольск, ул. Станционная, д.24
    Режим работы
    Пн - Пт: с 8:00 до 17:00
    info@armatech.group
    ООО "АРМАТЕХ"
    Российская Федерация, Московская область,
    г. Подольск, ул. Станционная, д.24
    Пользовательское соглашение
    Антикоррупционная политика
    © 2026 АРМАТЕХ
    Каталог
    По всему сайту
    По каталогу
    Главная Продукция Контакты Компания Поддержка Поиск
    Наш сайт использует cookies

    Ознакомьтесь с Политикой конфиденциальности, чтобы узнать больше о том, что такое cookies, а так же как и зачем мы используем их. Закрывая данное окно, вы отказываетесь от всех cookies.

    Настройки Cookies